產品展示
當前位置:首頁》產品展示》氣動攪拌機
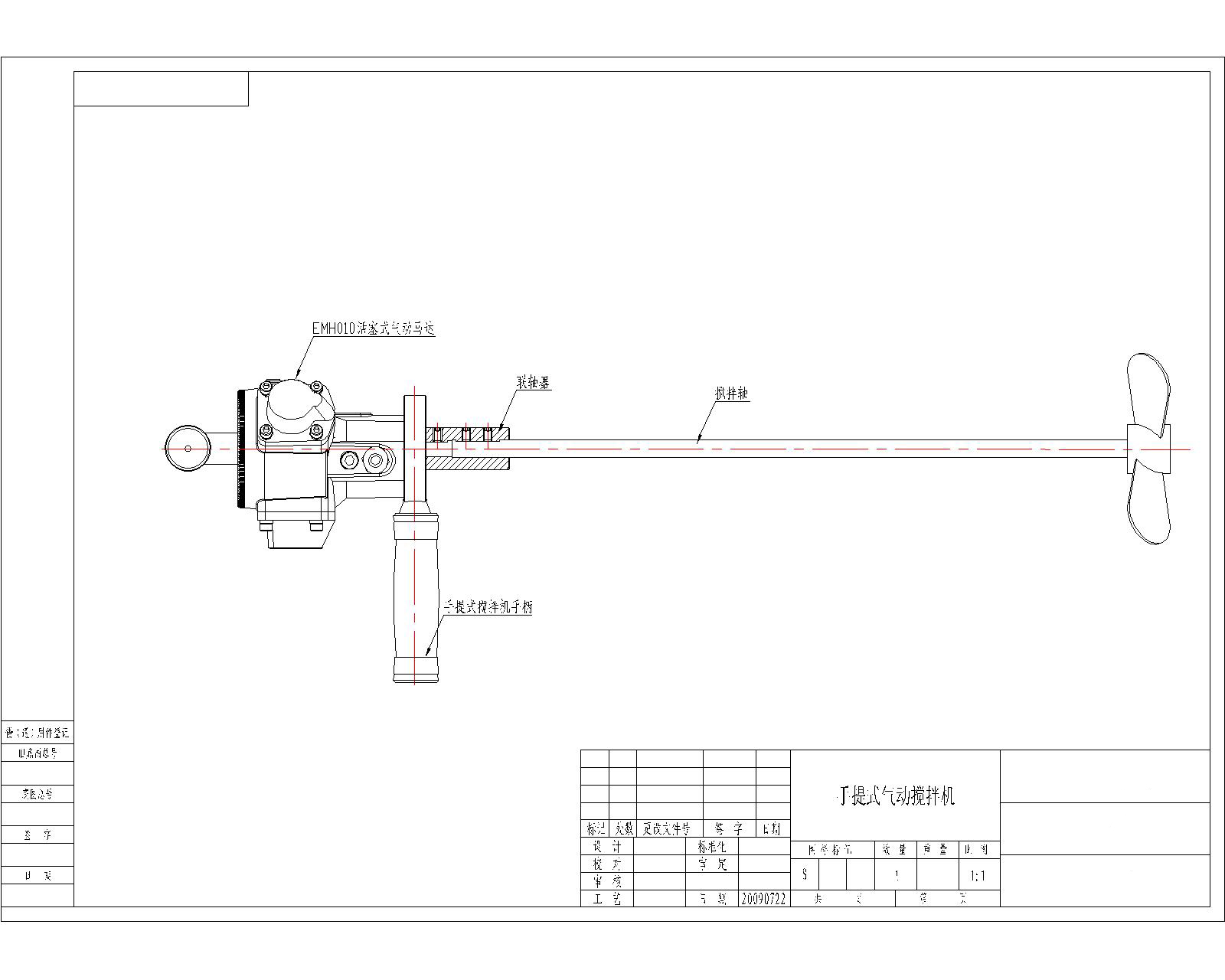
安裝特點:手持式,方便快捷,移動性強。不易長時間手提著攪拌,會累!
安裝方式:手持式
氣動馬達型號:QMH010型
轉速:0-1100轉可無級調速
攪拌軸:12mm*600mm直徑及長度可選)
漿葉直徑:B型100mm(直徑可選)
產品參數
型號:QJB010
安裝尺寸:

活塞式氣動攪拌機的優點:
1、扭力大、耗氣量低、噪音小、性能穩定
2、免加油、無污染
3、壓縮空氣為動力,不產生火花,防爆安全
4、可以無級調速。馬達的轉數通過供氣的壓力,流量調節。
5、可以長時間滿載及負載連續工作。
6、雙向旋轉,可實現正逆轉功能。
7、應用范圍:油漆,油墨,地板生產線,涂裝生產線,化工,食品,汽車,摩托車,電子,集裝箱船舶,化妝品,香精,香料,制鞋廠,皮革廠,木制品廠,工藝品,造紙,粘合劑,輪胎制造,水處理等場所。
8、工作流體:壓縮空氣
9、使用壓力:6 kg /cm2 (85 PSI) 最大使用壓力:8 kg /cm2 (115 PSI) 環境適溫度:-10~ +120C
氣動馬達操作時,需加裝空氣過濾油霧器,以達最佳效率和延長壽命。